
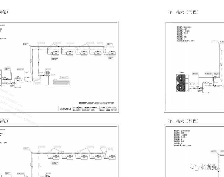
目前科斯曼的全国Q&E展墙经销商近500家!本着为科斯曼真正的合作伙伴提供更专业、更有价值的技术体系的原则,科斯曼一直在为两联供系统的标准化不断努力!科斯曼坚信两联供系统和多联机一样5p一拖四、6P一拖五标准化方案、标准化设计、标准化报价、标准化安装的时代会很快到来!科斯曼的发布标准图集80%是用图表的形式、设计手册近100个标准系统图、近100个材料表格,内容包括:设计方案、系统选型、配件选型、管道选型、设备选型、设计案例!
特别声明:科斯曼标准图集、设计手册,为内部技术资料,不卖!不赠!不送!只定向提供,为全国近500家科斯曼展墙经销商设计培训和设计参考用!
基于两联供系统开放性特点,要做好两联供则需要经销商建立适合自身的技术体系。两联供系统更需要经销商不断提高专业水平,不断进行系统升级,在开放的两联供系统中发挥各自的专业优势,并最终将价值体现在激烈的市场中。经销商可以基于两联供系统,通过不断的技术升级,最终形成自身的系统标准和服务模式,保持公司长久的、可持续的发展。

目前情况来看,两联供系统在实际应用中没有统一的系统标准,这样造成很多问题,也导致很多两联系统实际应用中没有达到节能、舒适的效果,并带来很多不理想的客户体验,很大程度上影响了两联系统的推广。特别是很多从多联机想转型做两联供系统的经销商,感觉到两联供系统好,也有趋势已来的紧迫感,但是不知道从哪下手如何把两联供系统做好!
标准图集、设计手册部分内容


